제품일람키 밀(연속식)
키 밀(연속식)
개요
로터 표면에 있는 특수한 돌기의 작용, 초소형 비즈 대응형, 대유량 순환방식에 의한 초미립자화를 가능하게 하는 나노 분산기.
연속식 키 밀은 완전밀폐형구조로 용도에 따라 초미립자화부터 고체/액체 슬러리 용액의 송액 파이프라인・순환 라인의 2차 응집체에 의한 침전억제분산 등 광범위하게 응용 가능한 21세기형 매체순환식 파이프라인 비즈 밀입니다.
스파이크 형 로타의 스크류 효과를 이용하여 원심력을 전달받은 비즈와 고체/액체 슬러리 용액을 분산존에 저항 없이 집중유동시킴으로써 습식분쇄・분산(초미립자화)에 대응하는 펌프 공급형 대유량 토출이 가능합니다.
스파이크 형 로타를 채용하여 적정 주속을 얻기 위해 가변속을 표준사양으로 정해두고 슬러리 용액에 따라 1~14m/Sec 사이에서 최적의 에너지 운동력을 슬러리 용액과 비즈에 전달할 수 있습니다. 연속식 키 밀은 처리재료 점도에 따라 직경 0.1mm의 마이크로 비즈의 사용이 가능하며 비즈 세퍼레이터로는 토출면적이 넓은 스크린 방식을 채용하고 있습니다. 사용 비즈는 직경 0.1mm부터 2.0mm까지의 각종 비즈(글래스, 알루미나, 티타니아, 질코니아 등)을 표준으로 하고 있으며 충진량은 벳셀 분산영역 용량의 80~90%입니다.


특 징
■애뉼러형
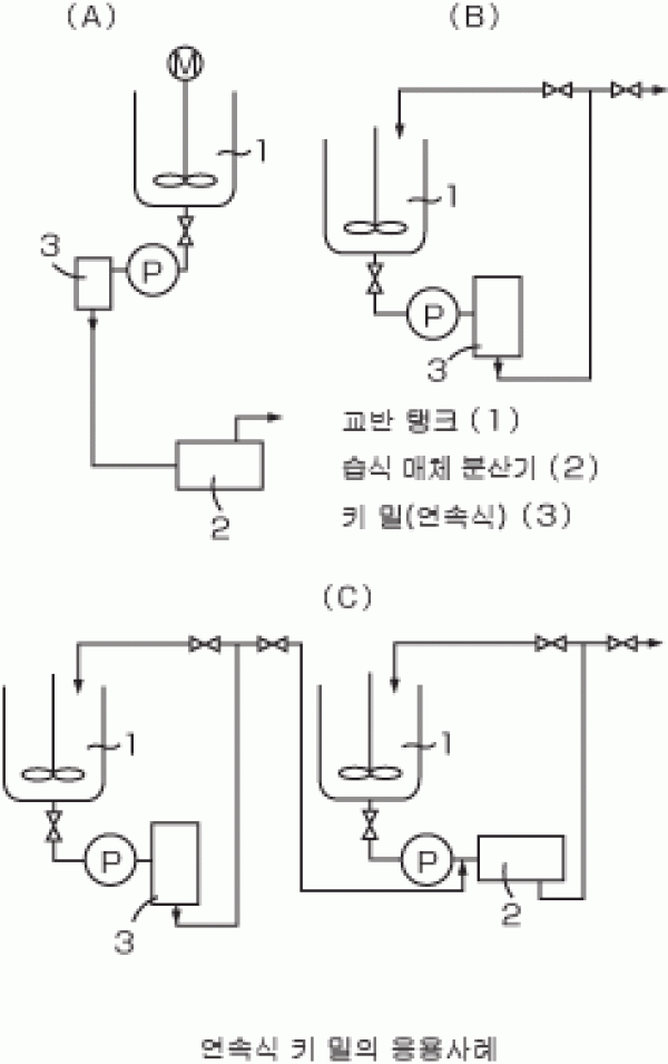
연속식 키 밀은 자켓을 장비한 벳셀과 로타로 구성된 2중 원통 간극부에서 로타의 회전을 이용해 슬러리 용액과 비즈에 운동력을 전달하여 로타 표면의 특수형상 돌기물의 작용을 통해 분쇄・전단・마쇄를 일으킵니다. 연속식 키 밀은 슬러리 용액 탱크와 파이프 라인으로 연결된 파이프 라인 비즈 밀입니다. 응용례는 상기 그림으로 표시하였습니다.
■초미립자화
클리어런스가 좁고 가장 큰 마쇄력, 충격력이 작용하는 부분에서 분쇄・분산작용이 이루어집니다. 송액 라인의 공급펌프를 순환 라인으로 사용함으로써 대유량 다패스 순환분산을 통한 초미립자화가 가능합니다.
■적용점도범위
비즈 분리기구로는 토출면적이 넓은 대유량형 스크린을 채용하여 비즈 충진량이 적고 운전경비의 절약에도 기여합니다. 연속식 키 밀의 적용점도범위는 5Pa・S 정도까지 입니다.
■냉각효과
벳셀에 독자적인 냉각기구를 채용하여 매우 높은 냉각효과를 얻을 수 있습니다.
■세척성
애뉼러형의 채용으로 인해 벳셀 내의 잔존재료가 매우 적기 때문에 세척시간의 단축이 가능합니다.
■부대설비로의 효력
비즈 밀 전처리(Premixing) 등의 동력 저감 및 2차 응집체 분산・송액 라인에서 일어나는 침전에 의한 컨태미네이션과 트러블 방지에 효력을 발휘합니다.
■순환(토출) 유량
마이크로 비즈를 사용하여도 대유량 토출이 가능합니다.
| 형식 | 모터 kw |
벳셀 용량ℓ |
토출유량 ℓ/HR |
|---|---|---|---|
| KMC-0.5 | 7.5,11 | 0.7 | ~1000 |
| KMC-1 | 11,15 | 1.3 | ~2000 |
| KMC-3 | 22,30 | 3.5 | ~6000 |
※Φ1.0mm 질코니아 비즈, 점도 1Pa・s 시의 개략치를 나타내고 있습니다.
본 사양・치수는 개량 등으로 인해 예고 없이 변경될 수 있습니다.



